产品亮点
内部集成了面阵工业相机及大功率LED同步触发频闪光源,一体化封装,即插即用;可定制红外不可见光源补光;体积小巧,特别适合空间有限的环境中使用。
产品参数
| 分辨率 | 5M~25M可选 |
| 像元尺寸 | 3.45μm~9μm(根据相机不同) |
| 数据格式 | 8/12bit |
| 数据接口 | GigE 千兆网口 |
| 采集频率 | 配合相机频率 |
| 光学镜头 | 适用多种型号 |
| 光源发散角 | 支持C口4mm及等效视场 |
| 光源波长 | 默认可见光,可定制红外或其他波段 |
| 输出功率 | 40W~160W可调 |
| 光源频闪 | 多种触发方式 |
| 供电电压 | 24V |
| 额定功率 | 200W |
| 整机重量 | <2kg |
| 防护等级 | IP65 |
| 工作温度 | -20°C~65°C |
| 相对湿度 | <90% |
| 振动冲击 | <10g,频率0~50Hz |
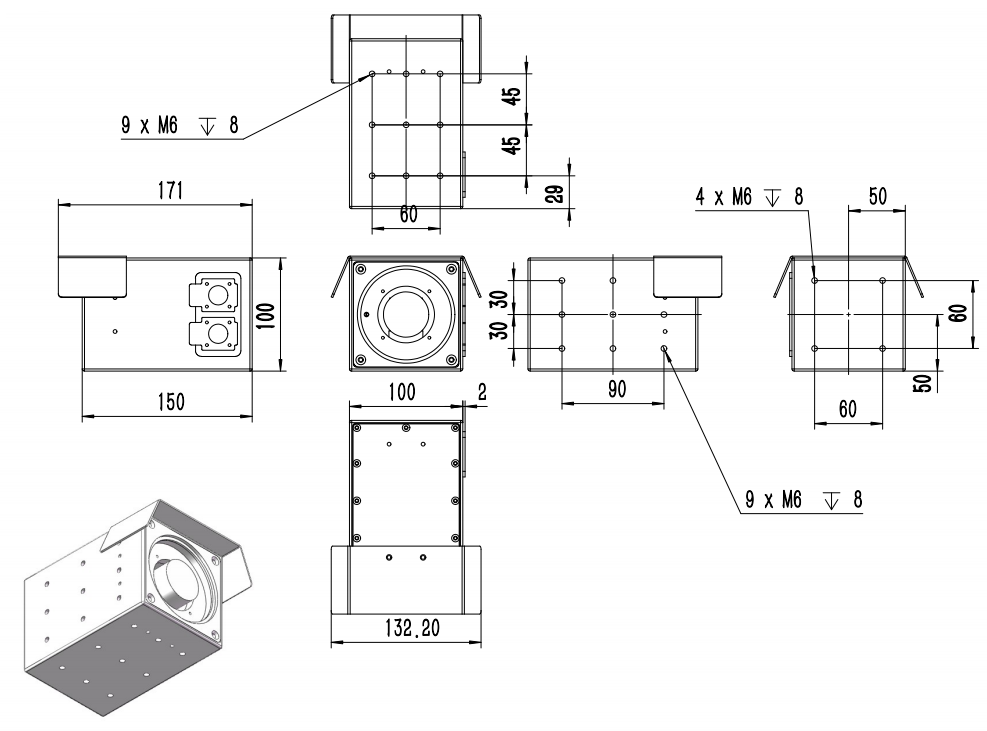
外形尺寸(mm)

内容为空!